山东哈临轴承---关节轴承主机配套生产商
hlb@hlbbearing.com
86-635-2556888
英文站
首页
产品中心
我们提供一套全面的服务,旨在满足客户的各种需求。
了解更多
向心关节轴承
自润滑向心关节轴承
角接触关节轴承
推力关节轴承
卡特、小松关节轴承
圆锥滚子轴承
其他轴承
关于HLB
我们提供一套全面的服务,旨在满足客户的各种需求。
了解更多
公司简介
公司荣誉
专利证书
生产设备
应用领域
技术与服务
我们提供一套全面的服务,旨在满足客户的各种需求。
了解更多
研发
检测
定制服务
新闻
我们提供一套全面的服务,旨在满足客户的各种需求。
了解更多
公司新闻
行业新闻
技术更新
联系我们
电话
86-635-2556888 2555999
邮箱
hlb@hlbbearing.com
地址
山东省临清市东外环南首哈临工业园
是时候连接了
填写表格中的基本细节,以便我们的专家主管应尽快与您联系。所有信息对我们都是安全的!
联系人
邮箱
电话
主题
内容
提交
UC 系列
首页
>
HLB 轴承
>
轮毂轴承
>
UC 系列
UC 系列
86-635-2556888
在线询价
产品描述
返回
询价
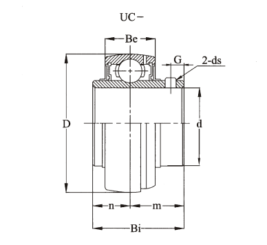
Bearing No.
轴
尺寸(mm)
等级基本负载等级
质量(kg)
(lbs)
MOM MO MO
d:
Bi
Be
n n
M
(
DS
c
CO
UC201
-
12
47
31
16
12.7
18.3
5
M6x1.0
12890
6490
0.21
UC201-8
1/2
-
47
31
16
12.7
18.3
5
1/4-28UNF
12890
6490
0.21
UC202
-
15
47
31
16
12.7
18.3
5
M6x1.0
12890
6490
0.2
UC202-10
5/8
-
47
31
16
12.7
18.3
5
1/4-28UNF
12890
6490
0.19
UC203
-
17
47
31
16
12.7
18.3
5
M6x1.0
12890
6490
0.18
UC204
-
20
47
31
16
12.7
18.3
5
M6x1.0
12890
6490
0.17
UC204-12
3/4
-
47
31
16
12.7
18.3
5
1/4-28UNF
12890
6490
0.18
UC205
-
25
52
34
17
14.3
19.7
5.5
M6x1.0
14000
7560
0.2
UC205-14
7/8
-
52
34
17
14.3
19.7
5.5
1/4-28UNF
14000
7560
0.23
UC205-15
15/16
-
52
34
17
14.3
19.7
5.5
1/4-28UNF
14000
7560
0.21
UC205-16
1
-
52
34
17
14.3
19.7
5.5
1/4-28UNF
14000
7560
0.2
UC206
-
30
62
38.1
19
15.9
22.2
6
M6x1.0
19510
11160
0.33
UC206-17
1-1/16
-
62
38.1
19
15.9
22.2
6
1/4-28UNF
19510
11160
0.37
UC206-18
1-1/8
-
62
38.1
19
15.9
22.2
6
1/4-28UNF
19510
11160
0.35
UC206-19
1-3/16
-
62
38.1
19
15.9
22.2
6
1/4-28UNF
19510
11160
0.33
UC206-20
1-1/4
-
62
38.1
19
15.9
22.2
6
1/4-28UNF
19510
11160
0.3
UC207
-
35
72
42.9
20
17.5
25.4
6.5
M8x1.0
25640
15330
0.4
UC207-20
1-1/4
-
72
42.9
20
17.5
25.4
6.5
5-16/24UNF
25640
15330
0.55
UC207-21
1-5/16
-
72
42.9
20
17.5
25.4
6.5
5-16/24UNF
25640
15330
0.52
UC207-22
1-3/8
-
72
42.9
20
17.5
25.4
6.5
5-16/24UNF
25640
15330
0.49
UC207-23
1-7/16
-
72
42.9
20
17.5
25.4
6.5
5-16/24UNF
25640
15330
0.46
UC208
-
40
80
49.2
21
19
30.2
8
M8x1.0
28890
17110
0.65
UC208-24
1-1/2
-
80
49.2
21
19
30.2
8
5-16/24UNF
28890
17110
0.69
UC208-25
1-9/16
-
80
49.2
21
19
30.2
8
5-16/24UNF
28890
17110
0.67
UC209
-
45
85
49.2
22
19
30.2
8
M8x1.0
32670
18220
0.7
UC209-26
1-5/8
-
85
49.2
22
19
30.2
8
5-16/24UNF
32670
18220
0.8
UC209-27
1-11/16
-
85
49.2
22
19
30.2
8
5-16/24UNF
32670
18220
0.76
UC209-28
1-3/4
-
85
49.2
22
19
30.2
8
5-16/24UNF
32670
18220
0.71
UC210
-
50
90
51.6
24
19
32.6
9
M10x1.25
35110
20840
0.8
UC210-30
1-7/8
-
90
51.6
24
19
32.6
9
3/8-24UNF
35110
20840
0.87
上一页
1
2
下一页
×
您有任何疑问请联系我们。
产品中心
联系人:
国家:
电话:
公司:
E-mail :
内容:
验证码: