自润滑向心关节轴承

自润滑向心关节轴承

  • 自润滑向心关节轴承
  • 自润滑向心关节轴承


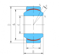
Series and bore diameter range:GE…C 4~50

                                                      GEG…C 4~45

Sliding contact surfaces:Steel/PTFE composite material

Permissible operating temperature range:-50℃~+150℃

Design characteristics:Outer ring of carbon steel,pressed around the inner ring,with sliding surface of  PTFE composite material;Inner ring of carbon chromium steel,hardened,sliding surface treated with hard chromium plating.


相关产品

下载公司目录

我们建议从我们的网站下载最新产品目录以进行最新产品更新。