产品型号:GEEM...ES-2RS 20~120
滑动磨擦副: 钢/钢
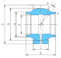
产品特点:内圈两端带伸出圆筒,外圈有一道轴向缝,内、外圈材料均为轴承钢,淬火,磷化,滑动表面涂敷二硫化钼,后置代号有-2RS为外圈两端带有密封圈。
使用温度范围:-30℃~+130℃


| 询价 | 轴承型号 | 外形尺寸mm | 额定载荷 kN | 重量≈kg | |||||||||
|---|---|---|---|---|---|---|---|---|---|---|---|---|---|
| D | d: | B | c | d1 max | dk | rs min | r1s min | α°≈ | 动载荷 | 静载荷 | |||
| GEEM20ES-2RS | 20 | 35 | 24 | 12 | 24 | 29 | 0.3 | 0.3 | 6 | 30 | 146 | 0.072 | |
| GEEM25ES-2RS | 25 | 42 | 29 | 16 | 29 | 35.5 | 0.3 | 0.6 | 4 | 48 | 240 | 0.13 | |
| GEEM30ES-2RS | 30 | 47 | 30 | 18 | 34 | 40.7 | 0.3 | 0.6 | 4 | 62 | 310 | 0.16 | |
| GEEM35ES-2RS | 35 | 55 | 35 | 20 | 40 | 47 | 0.6 | 1 | 4 | 79 | 399 | 0.25 | |
| GEEM40ES-2RS | 40 | 62 | 38 | 22 | 45 | 53 | 0.6 | 1 | 4 | 99 | 495 | 0.34 | |
| GEEM45ES-2RS | 45 | 68 | 40 | 25 | 52 | 60 | 0.6 | 1 | 4 | 127 | 637 | 0.45 | |
| GEEM50ES-2RS | 50 | 75 | 43 | 28 | 57 | 66 | 0.6 | 1 | 4 | 156 | 780 | 0.59 | |
| GEEM60ES-2RS | 60 | 90 | 54 | 36 | 68 | 80 | 0.6 | 1 | 3 | 245 | 1220 | 1.06 | |
| GEEM70ES-2RS | 70 | 105 | 65 | 40 | 78 | 92 | 0.6 | 1 | 4 | 313 | 1560 | 1.66 | |
| GEEM80ES-2RS | 80 | 120 | 74 | 45 | 90 | 105 | 0.6 | 1 | 4 | 400 | 2000 | 2.47 | |
| GEEM90ES-2RS | 90 | 130 | 80 | 50 | 99 | 115 | 1 | 1 | 4 | 488 | 2440 | 2.88 | |
| GEEM100ES-2RS | 100 | 150 | 90 | 55 | 113 | 130 | 1 | 1 | 4 | 607 | 3030 | 4.65 | |
| GEEM120ES-2RS | 120 | 180 | 108 | 70 | 133 | 160 | 1 | 1 | 4 | 950 | 4750 | 8.44 | |