GEEM...ES-2RS系列

GEEM40ES-2RS

产品型号:GEEM...ES-2RS 20­~120

滑动磨擦副: 钢/钢

 产品特点:内圈两端带伸出圆筒,外圈有一道轴向缝,内、外圈材料均为轴承钢,淬火,磷化,滑动表面涂敷二硫化钼,后置代号有-2RS为外圈两端带有密封圈。

使用温度范围:-30℃­~+130℃


  • GEEM...ES-2RS系列
  • GEEM...ES-2RS系列

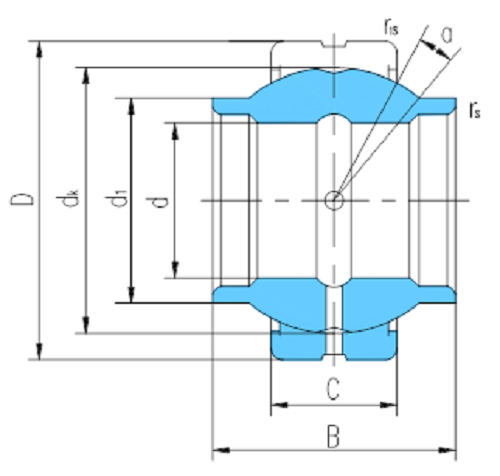
尺寸和参数

轴承型号 :GEEM40ES-2RS
外形尺寸mm
D  :40
d: :62
B :38
c :22
d1 max :45
dk :53
rs min :0.6
r1s min :1
α°≈ :4
额定载荷 kN
动载荷 :99
静载荷 :495
重量≈kg :0.34