

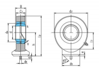
| 询价 | 型号 | 尺寸(毫米) | / kn | 重量≈kg | |||||||||||||
|---|---|---|---|---|---|---|---|---|---|---|---|---|---|---|---|---|---|
| D | B | dk | C1 | d₂ | h | 2 | 7 | d₅ | d6 | E2 | rs | α° ≈ | 动态 | 静态静态 | |||
| SK10E¹) | 10 | 9 | 16 | 7 | 29 | 24 | 38.50 | 15 | 15 | 3 | 2 | 0.30 | 12 | 8.10 | 15 | 0.04 | |
| SK12E¹) | 12 | 10 | 18 | 8 | 34 | 27 | 44 | 17.50 | 17.50 | 3 | 2 | 0.30 | 10 | 10 | 21 | 0.07 | |
| SK15ES²) | 15 | 12 | 22 | 10 | 40 | 31 | 51 | 20 | 21 | 4 | 2.50 | 0.30 | 8 | 16 | 32 | 0.12 | |
| SK16ES²) | 16 | 14 | 25 | 11 | 46 | 35 | 58 | 23 | 24 | 4 | 3 | 0.30 | 10 | 21 | 40 | 0.19 | |
| SK17ES²) | 17 | 14 | 25 | 11 | 46 | 35 | 58 | 23 | 24 | 4 | 3 | 0.30 | 10 | 21 | 40 | 0.18 | |
| SK20ES | 20 | 16 | 29 | 13 | 53 | 38 | 64.50 | 27.50 | 27.50 | 4 | 3 | 0.30 | 9 | 30 | 54 | 0.26 | |
| SK25ES | 25 | 20 | 35.50 | 17 | 64 | 45 | 77 | 33 | 33.50 | 4 | 4 | 0.60 | 7 | 48 | 72 | 0.45 | |
| SK30ES | 30 | 22 | 40.70 | 19 | 73 | 51 | 87.50 | 37.50 | 40 | 4 | 4 | 0.60 | 6 | 62 | 95 | 0.67 | |
| SK35ES | 35 | 25 | 47 | 21 | 82 | 61 | 102 | 43 | 47 | 4 | 4 | 0.60 | 6 | 79 | 125 | 1.02 | |
| SK40ES | 40 | 28 | 53 | 23 | 92 | 69 | 115 | 48 | 52 | 4 | 5 | 0.60 | 7 | 99 | 156 | 1.40 | |
| SK45ES | 45 | 32 | 60 | 27 | 102 | 77 | 128 | 52 | 58 | 6 | 5 | 0.60 | 7 | 127 | 208 | 1.93 | |
| SK50ES | 50 | 35 | 66 | 30 | 112 | 88 | 144 | 59 | 62 | 6 | 6 | 0.60 | 6 | 156 | 250 | 2.69 | |
| SK60ES | 60 | 44 | 80 | 38 | 135 | 100 | 167.50 | 72.50 | 70 | 6 | 8 | 1 | 6 | 245 | 390 | 4.60 | |
| SK70ES | 70 | 49 | 92 | 42 | 160 | 115 | 195 | 85.50 | 80 | 6 | 10 | 1 | 6 | 313 | 510 | 7 | |
| SK80ES | 80 | 55 | 105 | 47 | 180 | 141 | 231 | 98 | 95 | 6 | 10 | 1 | 6 | 400 | 620 | 11 | |