GX...S系列

GX200S

产品型号:GX…S 10~200

滑动磨擦副: 钢/钢 

产品特点:轴、座圈材料均为轴承钢,淬火,磷化,座圈有润滑油槽油孔,滑动表面涂敷二硫化钼。

使用温度范围:-50℃­~+150℃


  • GX...S系列
  • GX...S系列

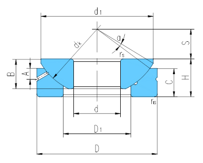
尺寸和参数

轴承型号 :GX200S
外形尺寸 mm
D  :200
d: :340
B :80
c :66
H :87
dk :365
S :70
d1 max :320
D1 min :247
A :27
rs,r1s min :1.5
α˚ ≈ :1
额定载荷 kN
动载荷 :3070
静载荷 :15280
重量 ≈kg :35.4