

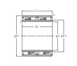
| 询价 | Bearing Number | 基本维度 | |||
|---|---|---|---|---|---|
| 型1 | 型2型 | D | d: | B | |
| 672820 | FC202870 | 100 | 140 | 70 | |
| 672722 | FC2234120 | 110 | 170 | 120 | |
| 672724 | FC2430105 | 120 | 180 | 105 | |
| 672728 | FC2842125 | 140 | 210 | 125 | |
| 672829 | FC2942155 | 145 | 210 | 155 | |
| 672732 | FC3246180 | 160 | 230 | 180 | |
| 672734 | FC3450170 | 170 | 250 | 170 | |
| 672838 | FC3854168 | 190 | 270 | 168 | |
| 672738 | FC3854200 | 190 | 270 | 200 | |
| 672740 | FC4058192 | 200 | 290 | 192 | |
| 672844 | FC4468200 | 220 | 340 | 200 | |
| 672852 | FC5280335 | 260 | 400 | 335 | |
| 672756 | FC5678220 | 280 | 390 | 220 | |
| 672760 | FC6084240 | 300 | 420 | 240 | |
| 672770 | FC70100380 | 350 | 500 | 380 | |
| 672772 | FC72102370 | 360 | 510 | 370 | |
| 672780 | FCD80112300 | 400 | 560 | 300 | |
| 6727/570 | FCD114150530 | 570 | 750 | 530 | |
| 66721/630 | FCDP126184515 | 630 | 920 | 515 | |